散热器

SZGL型散热器是一种新型的换热装置,它采用了具有优良技术性能的钢铝复合翅片管和用以补偿热应力的浮头式结构,因此,它是以导热油(也称有机热载体或热媒体)为传热介质进行空气加热换热装置的选择。近年来,该散热器在纺织、印染、橡胶、制革、木材加工、粮油食品加工、涂装烤漆等行业中已得到广泛应用,均取得满意的效果。
钢铝复合翅片管制造工艺,它是钢、铝复合后在专用机床上轧制而成,使钢基管与铝翅片结合紧密,它具有热阻小、穿热性能好、强度高、流动损失小、防腐性能强、工作寿命长等优点。
浮头式结构保证了散热器在温差较高的工作环境中及设备开始运行时的巨大热应力能得到有效的补偿。
SZGL型散热器可有不同表面管长、管数及排数组成多种规格,其流程可根据用户需要制成双排高度160、三排200、四排260及多排,使用部门可根据需要任意选用。
钢(铜)铝复合翅片管规格性能:|
外径D(mm)
|
翅片高度h(mm)
|
翅片节距t(mm)
|
基管规格d(mm)
|
翅片根径δ(mm)
|
总外表面积(m2/m)
|
使用温度(℃)
|
|
40
|
10
|
2.5
|
18
|
0.8
|
0.8
|
≤300
|
|
44
|
11
|
2.5
|
22
|
0.8
|
0.45
|
≤300
|
|
50
|
12
|
2.5
|
25
|
1
|
1.2
|
≤300
|
|
57
|
15
|
3
|
25
|
1
|
1.56
|
≤300
|
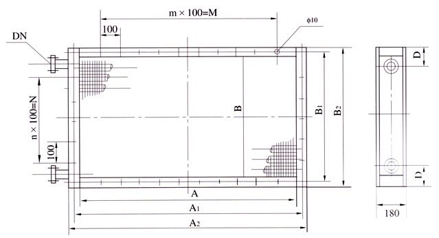
SZGL型散热器型号规格表示方法:
型号—迎风面长的分米数化整×迎风面宽的分米数化整。如:迎风面长为1000mm,迎风面宽为837mm。则为:FUL—10×8
SZGL型散热器外形尺寸及主要参数(此表散热管外径为Φ50):
|
型号
|
迎风面积m2
|
散热面积m2
|
净通风截面积m2
|
表面管数
|
排数
|
连接管DN(in)
|
尺寸(mm)
|
||||||||||
|
A
|
B
|
A1
|
A2
|
B1
|
B2
|
D
|
n
|
N
|
m
|
M
|
|||||||
|
SZGL-5×5
|
0.257
|
10.854
|
0.123
|
9
|
2
|
1[1/2]
|
500
|
513
|
560
|
600
|
553
|
593
|
75
|
4
|
400
|
4
|
400
|
|
8×5
|
0.410
|
17.366
|
0.196
|
800
|
860
|
900
|
7
|
700
|
|||||||||
|
10×5
|
0.513
|
21.708
|
0.245
|
1000
|
1060
|
1100
|
9
|
900
|
|||||||||
|
6×6
|
0.405
|
17.366
|
0.191
|
12
|
2
|
1[1/2]
|
600
|
675
|
660
|
700
|
715
|
755
|
75
|
5
|
500
|
5
|
500
|
|
8×6
|
0.54
|
23.155
|
0.255
|
800
|
860
|
900
|
7
|
700
|
|||||||||
|
10×6
|
0.675
|
28.944
|
0.317
|
1000
|
1060
|
1100
|
9
|
900
|
|||||||||
|
12×6
|
0.81
|
34.733
|
0.381
|
1200
|
1260
|
1300
|
11
|
1100
|
|||||||||
|
8×8
|
0.67
|
28.944
|
0.313
|
15
|
2
|
2
|
800
|
837
|
860
|
900
|
877
|
918
|
75
|
7
|
700
|
7
|
700
|
|
10×8
|
0.837
|
36.18
|
0.391
|
1000
|
1060
|
1100
|
9
|
900
|
|||||||||
|
12×8
|
1.004
|
43.416
|
0.469
|
1200
|
1260
|
1300
|
11
|
1100
|
|||||||||
|
14×8
|
1.172
|
50.652
|
0.547s
|
1400
|
1460
|
1500
|
13
|
1300
|
|||||||||
|
14×10
|
1.474
|
64.159
|
0.683
|
19
|
2
|
2[1/2]
|
1400
|
1053
|
1460
|
1500
|
1093
|
1133
|
75
|
9
|
900
|
13
|
1300
|
|
16×10
|
1.685
|
73.325
|
0.78
|
1600
|
1660
|
1700
|
15
|
1500
|
|||||||||
|
18×10
|
1.895
|
82.490
|
0.878
|
1800
|
1860
|
1900
|
17
|
1700
|
|||||||||
|
18×12
|
2.284
|
99.857
|
1.052
|
23
|
2
|
3
|
1800
|
1269
|
1860
|
1800
|
1309
|
1349
|
75
|
11
|
1100
|
17
|
1700
|
|
20×12
|
2.538
|
110.952
|
1.169
|
2000
|
2060
|
2100
|
19
|
1900
|
|||||||||
|
22×12
|
2.792
|
122.047
|
1.286
|
2200
|
2260
|
2300
|
21
|
2100
|
|||||||||
|
25×12
|
3.173
|
138.69
|
1.461
|
2500
|
2560
|
2600
|
24
|
2400
|
|||||||||
除以上规格外,还可根据用户需要加工各种特殊规格。



宜兴市周铁竺西工业园中兴路9号
朱先生 13806189607
847447075
sales@wxdhly.com